Cargar datos para calibre"6 mm Creedmoor"
Encontrarás los datos de carga del 6 mm Creedmoor con todas las pólvoras y balas comunes haciendo clic en el botón 'Cargas para este calibre' más arriba. Especificaciones técnicas (basadas en la respectiva norma de seguridad - ver más detalles en la pestaña 'Ficha técnica' si está disponible)
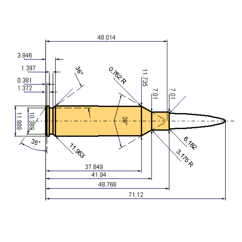
| Calibre: | 6 mm Creedmoor |
|---|---|
| Diámetro de la Bala: | 0.243 '' | 6.17 mm |
| Tamaño de cebadore: | Large Rifle (LR) |
| Tipo de Cartucho: | Rimless |
| Tamaño Máximo del Casquillo (l3): | 1.92'' | 48.9 mm |
| Longitud Máxima del Cartucho: | 2.8'' | 71.12 mm |
| Presión Estándar Máxima: | 61932.08 psi | 4270 bar |

SAAMI
El Sporting Arms and Ammunition Manufacturers' Institute (SAAMI) es una organización sin ánimo de lucro creada en 1926 en Estados Unidos para crear y promover especificaciones normalizadas para armas de fuego, munición y componentes. La SAAMI trabaja para garantizar que las armas de fuego y la munición producidas por los fabricantes cumplan normas coherentes y seguras.
Sitio web La SAAMI cuenta con una amplia base de miembros, formada por más de 120 fabricantes líderes de armas deportivas y munición en Estados Unidos. La organización participa en diversas actividades destinadas a mejorar la calidad de las armas de fuego y la munición. Algunas de sus actividades principales son la elaboración de normas y especificaciones técnicas para la industria, la realización de pruebas y evaluaciones de armas de fuego y munición, y la promoción de la seguridad y el uso responsable de las armas de fuego.
Una de las principales responsabilidades de la SAAMI es el desarrollo de normas técnicas para la fabricación y ensayo de armas de fuego y munición. Estas normas lo abarcan todo, desde el diseño y la construcción de armas de fuego hasta los materiales y componentes utilizados en la munición. Las normas de la SAAMI gozan de gran aceptación en todo el sector y muchos organismos gubernamentales, incluido el ejército estadounidense, las utilizan como base para sus propias normas.
Una de las normas más importantes desarrolladas por la SAAMI es la norma "Dibujos de cartuchos y recámaras". Esta norma define las dimensiones y tolerancias para el diseño de cartuchos y recámaras en las armas de fuego. Esta norma garantiza que los cartuchos y las recámaras se diseñan según especificaciones precisas, lo que ayuda a garantizar un rendimiento seguro y fiable.
La SAAMI también participa en las pruebas y la evaluación de armas de fuego y munición. La organización gestiona unas instalaciones de ensayo de última generación en las que se prueban las armas de fuego y la munición para garantizar que cumplen las normas técnicas de la SAAMI. Los procedimientos de prueba de la SAAMI son rigurosos y exhaustivos, y abarcan desde pruebas de presión hasta pruebas de precisión.
La SAAMI también lleva a cabo actividades de investigación y desarrollo destinadas a mejorar el rendimiento y la seguridad de las armas de fuego y la munición.
Además de sus actividades técnicas, la SAAMI también participa en la promoción de la seguridad y el uso responsable de las armas de fuego. La organización colabora estrechamente con otras organizaciones del sector y organismos gubernamentales para promover la tenencia y el uso responsable de las armas de fuego. La SAAMI también proporciona materiales y recursos educativos para ayudar a particulares y organizaciones a mejorar su conocimiento y comprensión de las armas de fuego y la munición.

